Легендарный таймер NE555: история, принцип работы и создание генератора
Мой проект полицейской мигалки на основе микросхемы таймера NE555.

Одна из самых известных микросхем в истории радиотехники, которая работает в устройствах по всему миру уже более 50 лет.
Микросхема NE555 — это универсальный таймер, устройство для формирования одиночных и повторяющихся импульсов. С момента своего появления в 1971 году она стала настоящей легендой благодаря простоте, надёжности и невероятной универсальности. В этой статье вы узнаете об истории создания этого уникального устройства, его внутреннем устройстве и о том, как собрать на его основе практический генератор импульсов.
История создания легенды: рождение NE555

История NE555 начинается в разгар экономического кризиса в США летом 1970 года. Компания Signetics, специализировавшаяся на микроэлектронике, была вынуждена сократить половину персонала. Среди уволенных оказался и талантливый схемотехник Ганс Камензинд, который ранее разрабатывал для компании схемы фазовой автоподстройки частоты (ФАПЧ).
Несмотря на увольнение, Камензинд продолжил работу над аналоговыми схемами у себя в гараже. Изначально он отладил схему интегрального генератора, управляемого напряжением (ГУН), который впоследствии выпускался под именем NE566. Интересно, что эта схема содержала все структурные блоки будущего таймера 555 — делитель напряжения, компараторы, триггер и аналоговый ключ.

Камензинд предложил доработать NE566, превратив её в ждущий мультивибратор — генератор одиночных импульсов. Идея встретила сопротивление: многие полагали, что дешёвый интегральный таймер подорвёт сложившийся рынок операционных усилителей и стабилитронов. Лишь благодаря вмешательству руководителя продаж Арта Фьюри проект получил одобрение. Именно Фьюри придумал название NE555, где «NE» — префикс Signetics.
Долгое время Камензинду не удавалось упаковать схему в дешёвый восьмивыводной корпус — решение оказалось неожиданным: замена встроенного генератора стабильного тока на обычный резистор. В микросхеме ГУН такая замена была недопустимой, в микросхеме таймера она оказалась оправданной.
По настоянию Фьюри NE555 продавался по беспрецедентно низкой для своего времени цене — 75 центов за штуку, что в 1971 году сделало его недосягаемым для конкурентов. Микросхема содержала 23 транзистора, 16 резисторов и 2 диода.
Распространение и советский аналог

По мере удешевления производства выпуск 555 освоили многие конкуренты. В СССР был разработан полный аналог NE555 — КР1006ВИ1. Стоит отметить одно важное отличие отечественной микросхемы: вход останова R имел приоритет над входом запуска S, тогда как у оригинального NE555 — наоборот. Это различие не было отражено в официальной документации и иногда становилось причиной проблем у радиолюбителей.

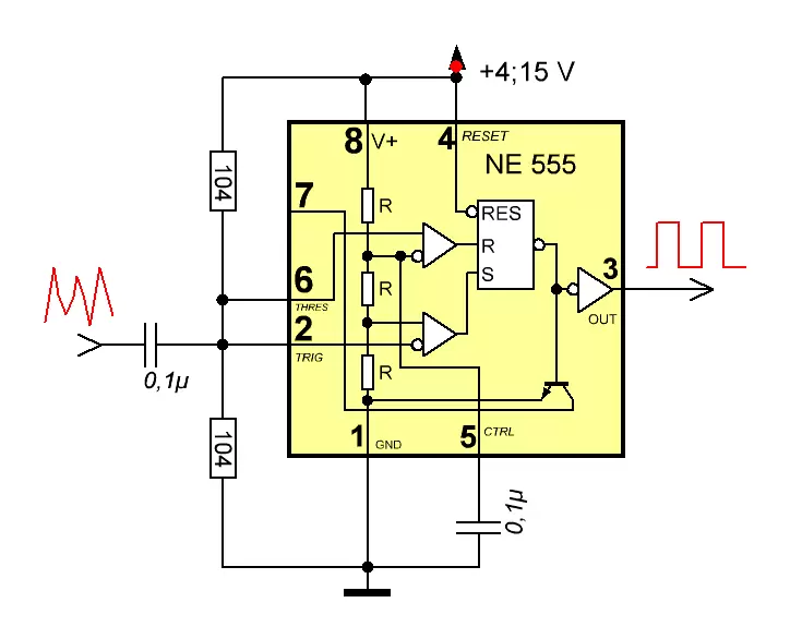
Внутреннее устройство и принцип работы NE555
Чтобы понять, почему NE555 столь универсален, нужно разобраться в его внутреннем устройстве.
Структурная схема и назначение выводов
Функционально микросхема состоит из нескольких ключевых компонентов:
- Делитель напряжения — формирует два опорных напряжения: 2/3Vcc для верхнего компаратора и 1/3Vcc для нижнего.
- Два прецизионных компаратора — сравнивают входные напряжения с опорными.
- RS-триггер — управляет состоянием микросхемы на основе сигналов от компараторов.
- Выходной каскад — усилитель мощности для увеличения нагрузочной способности.
- Транзисторный ключ — с открытым коллектором для разряда времязадающего конденсатора.
Таблица назначения выводов микросхемы NE555
| Номер вывода | Обозначение | Назначение | Описание |
|---|---|---|---|
| 1 | GND | Общий провод | Подключается к минусу питания |
| 2 | TRIG | Запуск | При напряжении < 1/3 Vcc запускает таймер |
| 3 | OUT | Выход | На этом выводе формируется выходной сигнал |
| 4 | RESET | Сброс | При подаче низкого уровня сбрасывает таймер |
| 5 | CTRL | Управление | Позволяет изменять опорное напряжение |
| 6 | THR | Порог | При напряжении > 2/3 Vcc останавливает таймер |
| 7 | DIS | Разряд | Используется для разряда времязадающего конденсатора |
| 8 | VCC | Питание | Напряжение питания микросхемы (обычно 4,5-16 В) |

Основные характеристики
NE555 обладает впечатляющими характеристиками, объясняющими её популярность:
- Широкий диапазон напряжений питания: от 4,5 до 16 В (некоторые версии до 18 В)
- Высокая нагрузочная способность: выходной ток до 200 мА
- Низкое потребление: обычно 3-10 мА
- Высокая стабильность: температурный дрейф всего 0,005%/°C
Создание генератора на основе NE555
Одной из самых популярных областей применения NE555 является создание генератора импульсов (мультивибратора). Такой генератор может использоваться для мигания светодиодов, управления двигателями, генерации звуковых сигналов и многих других задач.
Базовая схема генератора и принцип работы

В автоколебательном режиме (режиме мультивибратора) микросхема генерирует непрерывную последовательность прямоугольных импульсов. Параметры этих импульсов определяются внешними компонентами — резисторами R1, R2 и конденсатором C1.
Принцип работы:
- При включении питания конденсатор C1 разряжен, на выходе устанавливается высокий уровень.
- Транзистор разряда закрыт, и конденсатор C1 начинает заряжаться через резисторы R1 и R2.
- Когда напряжение на C1 достигает 2/3 Vcc, срабатывает верхний компаратор, и выход переключается в низкий уровень.
- Транзистор разряда открывается, и конденсатор C1 начинает разряжаться через резистор R2.
- Когда напряжение на C1 падает до 1/3 Vcc, срабатывает нижний компаратор, и цикл повторяется.
Расчёт параметров выходного сигнала
Для настройки генератора под конкретные задачи используются следующие формулы:
- Длительность импульса (высокий уровень): T₁ = 0,693 × (R₁ + R₂) × C₁
- Длительность паузы (низкий уровень): T₂ = 0,693 × R₂ × C₁
- Период следования импульсов: T = T₁ + T₂ = 0,693 × (R₁ + 2 × R₂) × C₁
- Частота: F = 1/T = 1,44 / ((R₁ + 2 × R₂) × C₁)
- Скважность: D = T₁/T = (R₁ + R₂)/(R₁ + 2 × R₂)
Практическая схема регулируемого генератора
Предлагаемая схема позволяет регулировать как частоту импульсов, так и их скважность.
Список компонентов:
- Микросхема NE555 (или её аналог) — 1 шт.
- Резисторы: R1 = 1 кОм, R2 = 10 кОм (переменный), R3 = 10 кОм (переменный)
- Диоды 1N4148 — 2 шт.
- Конденсаторы: C1 = 1 мкФ (электролитический), C2 = 100 нФ (керамический)
- Светодиод с токоограничивающим резистором 300-500 Ом — 1 шт.
Схема подключения:
Vcc (+5-12В)
|
R1 (1кОм)
|
+----+-------> DIS (7)
| |
| R2 (10кОм)
| | потенциометр
| +-------> THR (6)
| | |
+----+--------+-------> TRIG (2)
| | |
C1(1мкФ) D1,D2(1N4148)
| | |
+----+--------+
| |
GND GNDНазначение элементов регулировки:
- Резистор R2 — регулировка частоты импульсов
- Резистор R3 — регулировка скважности
- Диоды D1 и D2 — разделение путей заряда и разряда конденсатора C1
Советы по сборке и наладке
- Стабильность работы: для повышения стабильности работы рекомендуется подключить между выводами 5 и 1 (CTRL и GND) керамический конденсатор ёмкостью 10 нФ.
- Защита по питанию: разместите керамический конденсатор 100 нФ как можно ближе к выводам питания микросхемы (выводы 1 и 8).
- Нагрузочная способность: помните, что выходной ток микросхемы ограничен 200 мА. При использовании мощной нагрузки (например, электродвигателя) применяйте дополнительный усилитель на транзисторе.
- Проверка работы: для начальной настройки используйте светодиод с токоограничивающим резистором — это позволит визуально оценить работу генератора.
Заключение
Легендарный таймер NE555 прошёл проверку временем и остаётся востребованным спустя более чем 50 лет после своего создания. Его простота, надёжность и универсальность делают его идеальным выбором как для начинающих радиолюбителей, так и для опытных инженеров.
Собрать генератор на основе NE555 — это отличный способ познакомиться с этой замечательной микросхемой. Предложенная в статье схема позволяет получить полнофункциональный прибор с регулировкой ключевых параметров выходного сигнала, который может стать полезным инструментом в вашей домашней лаборатории.
Удачи в экспериментах с этой поистине легендарной микросхемой!


